服务热线:150 0066 6432
一、Q94F/Y/H 电动偏心半球阀概述:
二、Q94F/Y/H电动偏心半球阀特点:
1、解决了工业生产中的浆状、混流液体、灰尘等介质在管道输送中沉淀、易结垢、阻塞,使阀门关不严等问题。
2、开关轻便,开启时球与壳体脱离,无任何接触,启动扭矩小,转动灵活。关闭时,半球与阀座的挤切作用能除去密封面上的污物,使阀门顺利启闭,安全系数高,密封性能好。
3、密封面的偏心结构,使球面能自动补偿磨损,能保持阀门的密封,使用寿命长。
4、该阀门t型是属于耐磨硬密封球阀,它的密封副材料是特殊的,密封面要经过特殊耐磨处理。处理后表面达到hrc65-72度,故阀门的耐磨性能特别好。
5、阀门表面油漆,有常温和高温两种。高温用耐温600℃的进口漆,喷涂后,高温使用不烧漆、炭化、焦化现象。不变色。
三、Q94F/Y/H电动偏心半球阀主要性能参数及执行标准:
| 公称压力mpa | 1.0 | 1.6 | 2.5 | 4.0 |
| 阀门强度试验压力mpa | 1.5 | 2.4 | 3.8 | 6.0 |
| 阀门密封试验压力mpa | 1.1 | 1.8 | 2.8 | 4.5 |
| 适用温度℃ | ≤425℃ ≤325℃常温 | |||
| 适用介质 | 煤粉、煤灰、含尘、气体 | |||
| 法兰标准 | jb/t82.1-94 | |||
| 阀门结构长度标准 | gb12221-89 | |||
四、Q94F/Y/H电动偏心半球阀主要性能参数及执行标准:
| 公称压力mpa | 1.0 | 1.6 | 2.5 | 4.0 |
| 阀门强度试验压力mpa | 1.5 | 2.4 | 3.8 | 6.0 |
| 阀门密封试验压力mpa | 1.1 | 1.8 | 2.8 | 4.5 |
| 适用温度℃ | ≤425℃ ≤325℃常温 | |||
| 适用介质 | 煤粉、煤灰、含尘、气体 | |||
| 法兰标准 | jb/t82.1-94 | |||
| 阀门结构长度标准 | gb12221-89 | |||

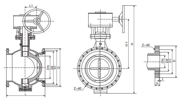
| 公称压力 pn (mpa) | 公称通径 dn | 尺 寸(mm) | ||||||||
| l | d 系列1/系列2 | d1 | d2 | d6 | b | f | z-φd | |||
| mm | in | 法兰 | ||||||||
| 1.0 | 40 | - | 125 | 145 | 110 | 85 | - | 16 | 3 | 4-18 |
| 50 | - | 140 | 160 | 125 | 100 | - | 16 | 3 | 4-18 | |
| 65 | - | 190 | 180 | 145 | 120 | - | 18 | 3 | 4-18 | |
| 80 | - | 178 | 195 | 160 | 135 | - | 20 | 3 | 4-18 | |
| 100 | - | 200 | 215 | 180 | 155 | - | 20 | 3 | 8-18 | |
| 125 | - | 254 | 245 | 210 | 185 | - | 22 | 3 | 8-18 | |
| 150 | - | 267 | 280 | 240 | 210 | - | 24 | 3 | 8-23 | |
| 200 | - | 292 | 335 | 295 | 265 | - | 24 | 3 | 8-23 | |
| 250 | - | 330 | 390 | 350 | 320 | - | 26 | 3 | 12-23 | |
| 300 | - | 390 | 440 | 400 | 368 | - | 26 | 4 | 12-23 | |
| 350 | - | 430 | 500 | 460 | 428 | - | 28 | 4 | 16-23 | |
| 400 | - | 530 | 565 | 515 | 482 | - | 28 | 4 | 16-25 | |
| 450 | - | 580 | 615 | 565 | 532 | - | 30 | 4 | 20-25 | |
| 500 | - | 630 | 670 | 620 | 585 | - | 30 | 4 | 20-25 | |
| 600 | - | 800 | 480 | 725 | 685 | - | 34 | 5 | 20-30 | |
| 700 | - | 900 | 895 | 840 | 800 | - | 38 | 5 | 24-30 | |
| 800 | - | 1000 | 1010 | 950 | 905 | - | 42 | 5 | 24-34 | |
| 1.6 | 40 | |||||||||