服务热线:150 0066 6432
一、D641X气动法兰软密封蝶阀概述
沃茈阀门(上海)有限公司生产销售的D641X气动法兰软密封蝶阀是一种蝶板的回转中心(即阀门轴中心)位于阀体的中心线和蝶板的密封截面上的蝶阀,连接方式有对夹式和法兰式。气动中线蝶阀流体阻力较小,中大口径的蝶阀全开时有效流通面积较大,启闭迅速省力,利用压缩空气来带动碟扳旋转90角度即可完成启闭,也可以装配上电气阀门定位器对介质流量,压力,温度等各项参数进行调节控制。
二、D641X气动法兰软密封蝶阀特点
1、小巧轻便,容易拆装及维修,并可在任意位置安装。
2、结构简单、紧凑,操作扭矩小,90°回转开启迅速。
3、流量特性为直线,调节性能好。
4、蝶板与阀杆的连接采用无销钉结构,克服了有可能的内泄漏点。
5、蝶板外圆采用球面造型,提高了密封性能及延长了阀门的使用寿命,带压启闭5万次以上仍保持零泄漏。
三、D641X气动法兰软密封蝶阀技术参数
阀体材质:wcb、304、316、upvc
阀板材质:304、316、316l、尼龙板、铝青铜、球铁镀镍
密封阀座:nbr、epdm、ptfe【压力等级】:1.6mpa
公称通径:dn25-dn1000
结构形式:a型、lt凸耳式
连接方式:对夹、法兰式
电磁阀电压:ac220v/110v/380v/24v 50/60hz dc24v/12v +10%到-10%
温度范围:nbr:-30~80℃;epdm:-30~120℃;ptfe:-30~130℃
气动执行器:双作用、单作用
气动附件:换向电磁阀、限位开关、空气过滤减压阀、电气定位器、手轮机构

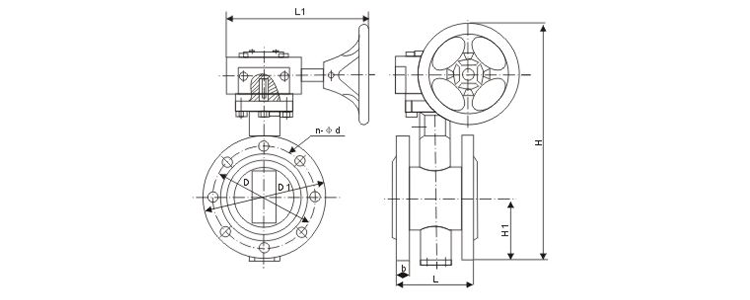
口径 | 英寸 | 法兰 gb国标尺寸pn10/pn16/pn25 | 执行器尺寸 | |||||||
l | h | h1 | d1 | n-d | 重量kg | a | b | c | ||
dn50 | 2 | 108 | 245 | 80 | 125/125/125 | 4-18/4-18/4-18 | 12 | 217 | 137 | 111 |
dn65 | 2-1/2 | 112 | 250 | 90 | 145/145/145 | 4-18/4-18/8-18 | 13.75 | 258 | 147 | 122 |
dn80 | 3 | 114 | 350 | 98 | 160/160/160 | 4-18/8-18/8-18 | 16.25 | 258 | 147 | 122 |
dn100 | 4 | 127 | 380 | 112 | 180/180/190 | 8-18/8-18/8-22 | 21 | 299 | 165 | 135 |
dn125 | 5 | 140 | 410 | 128 | 210/210/220 | 8-18/8-18/8-26 | 30 | 349 | 182 | 153 |
dn150 | 6 | 140 | 490 | 147 | 240/240/250 | 8-22/8-22/8-26 | 37 | 397 | 199 | 173 |
dn200 | 8 | 152 | 560 | 178 | 295/295/310 | 8-22/12-22/12-26 | 49 | 473 | 221 | 192 |
dn250 | 10 | 165 | 621 | 215 | 350/355/370 | 12-22/12-26/12-30 | 72 | 560 | 249 | 213 |
dn300 | 12 | 178 | 680 | 250 | 400/410/430 | 12-22/12-26/16-30 | 92 | 601 | 280 | 243 |
dn350 | 14 | 190 | 757 | 280 | 460/470/490 | 16-22/16-26/16-33 | 127.5 | 738 | 383 | 356 |
dn400 | 16 | 216 | 825 | 320 | 515/525/550 | 16-26/16-30/16-36 | 158 | 738 | 383 | 356 |
dn450 | 18 | 222 | 925 | 350 | 565/585/600 | 20-26/20-30/20-36 | 202 | 738 | 383 | 356 |
dn500 | 20 | 229 | 1010 | 380 | 620/650/660 | 20-26/20-33/20-36 | 251 | 940 | 434 | 415 |
dn600 | 24 | 267 | 1180 | 440 | 725/770/770 | 20-30/20-36/20-36 | 350 | 940 | 434 | 415 |