服务热线:150 0066 6432
一、沃茈阀门(上海)有限公司生产销售的D681气动卫生级蝶阀特点
1、 防爆、开关、定位器
2、可拆连接,工作稳定、结构简单、维修方便
3、启闭力矩小、响应迅速、品质优良、寿命长
4、内壁抛光、表面光亮、轻巧美观、清洁卫生、无死角易清洗
二、D681气动卫生级蝶阀技术参数
| 公称通径 | dn20~108mm |
| 连接方式 | 外螺纹、三片式焊接、卡箍、对焊 |
| 气缸选配 | at系列、gt系列、进口执行器系列 |
| 气缸形式 | 双作用、单作用(弹簧复位) |
| 控制方式 | 二位切断(开关型)、调节型、三段式(开度可选) |
| 公称压力 | 6、10、16bar(如需更高压力订货时请注明) |
| 气源压力 | 双作用:4~8bar、单作用:5~8bar |
| 介质温度 | w5:-20~80℃ w6:-20~150℃ w9:-30~120℃ |
| 环境温度 | 标准型:-20~80℃ |
| 阀体材质 | 不锈钢(p4、p6) |
| 密封材质 | 丁晴橡胶(x)、氟橡胶(fkm)、三元乙丙橡胶(e) |
备注:其他特殊密封材质或特殊温度亦可根据客户要求设计选型。
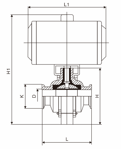
三、D681气动卫生级蝶阀主要外形尺寸-pn6~16(6~16bar)

| 公称通径[dn] | 外螺纹连接尺寸 | 三片式连接尺寸 | 卡箍连接尺寸 | 对焊连接尺寸 | lo | h | 执行器型号 | ||||||||
| l1 | d | m | l2 | d | d | l3 | d | d | l4 | d | d | ||||
| 20 | 100 | 78 | 19.05 | 66 | 78 | 50.5 | 66 | 78 | 19.05 | 141/141 | 157/557 | atd50/ate50 | |||
| 25 | 66 | 78 | 40xl/6 | 100 | 78 | 25.4 | 66 | 78 | 50.5 | 66 | 78 | 25.4 | 141/141 | 157/557 | atd50/ate50 |
| 32 | 66 | 78 | 48xl/6 | 100 | 78 | 31.8 | 66 | 78 | 50.5 | 66 | 78 | 31.8 | 141/141 | 157/557 | atd50/ate50 |
| 38 | 70 | 86 | 60xl/6 | 100 | 86 | 38.1 | 70 | 86 | 50.58 | 70 | 86 | 38.1 | 141/141 | 157/557 | atd50/ate50 |
| 51 | 76 | 102 | 70xl/6 | 104 | 102 | 50.8 | 76 | 102 | 64 | 76 | 102 | 50.8 | 141/159 | 171/180 | atd50/ate63 |
| 63 | 80 | 115 | 85xl/6 | 112 | 115 | 63.5 | 80 | 115 | 77.5 | 80 | 115 | 63.5 | 141/159 | 169/169 | atd63/ate63 |
| 76 | 84 | 128 | 98xl/6 | 112 | 128 | 76.1 | 84 | 128 | 91 | 84 | 128 | 76.1 | 159/211 | 194/208 | atd63/ate75 |
| 89 | 120 | 139 | 88.9 | 90 | 139 | 106 | 90 | 139 | 88.9 | 159/248 | 200/224 | atd63/ate88 | |||
| 102 | 104 | 159 | 132xl/6 | 128 | 155 | 101.6 | 102 | 155 | 119 | 102 | 155 | 101.6 | 211/248 | 220/242 | atd75/ate88 |
| 108 | 128 | 159 | 108 | 108 | 159 | 119 | 108 | 159 | 108 | 211/269 | 223/245 | atd75/ate100 | |||
备注:根据不同的阀门扭矩,不同的气源压力以及不同的实际工况,选择相匹配的执行器其相关外形尺寸也随之变化。