服务热线:150 0066 6432
一、Q644F气动三通球阀概述
沃茈阀门(上海)有限公司生产销售的Q644F气动三通球阀可分为l形气动三通球阀和t形气动三通球阀,l形(q44f)三通球阀用于介质流向的切换,能使相互垂直的两个通道连接;t形(q45f)三通球阀用于介质分流、合流及流向切换。t形三通可以使三个通道相互连通或使其中的两个通道连通。三通球阀一般采用两阀座结构,亦可根据用户要求采用四阀座结构。
二、Q644F气动三通球阀性能参数
| 试验压力 | 公称压力(mpa) | ||||
| mpa | 1.6 | 2.5 | 4.0 | cl150 | jis10k |
| 强度试验 | 2.4 | 3.8 | 6.0 | 3.2 | 2.4 |
| 密封试验 | 1.8 | 2.8 | 4.4 | 2.2 | 1.5 |
| 气密试验 | 0.5-0.7 | ||||
| 工作温度 | ptfe≤150℃ ptl≤300℃ | ||||
| 适用介质 | c:水、油、气;p:硝酸类;r:醋酸类 | ||||
三、Q644F气动三通球阀主要零件材料
| 阀体、阀盖 | wcb、cf8 |
| 球体 | wcb hcr、cf8 |
| 阀杆 | 2cr13、cf8 |
| 阀座 | ptfe |
| 填料 | ptfe |

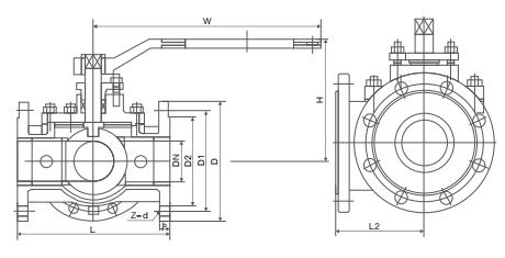
四、Q644F气动三通球阀主要外形尺寸

| 公称压力 | 公称通径 | l | l1 | h | w | 重量(kg) | |||||
| mpa | mm | in | mm | mm | mm | mm | 1.6 | 2.5 | 4.0 | cl150 | jis10k |
1.6 | 15 | 1/2 | 130 | 65 | 62 | 100 | 2.5 | 3.0 | 3.5 | 2.5 | 2.5 |
| 20 | 3/4 | 150 | 75 | 68 | 160 | 3.0 | 3.5 | 4.5 | 3.0 | 3.6 | |
| 25 | 1 | 160 | 80 | 75 | 160 | 4.8 | 5.0 | 6 | 5.0 | 5.0 | |
| 32 | 11/4 | 180 | 90 | 85 | 200 | 6.5 | 7 | 8.5 | 7 | 7 | |
| 40 | 11/2 | 200 | 100 | 95 | 200 | 8.5 | 9 | 10.5 | 9 | 9 | |
| 50 | 2 | 230 | 115 | 110 | 250 | 11 | 12 | 14 | 12 | 11 | |
| 65 | 21/2 | 290 | 145 | 130 | 300 | 15 | 17 | 20 | 16 | 16 | |
| 80 | 3 | 310 | 155 | 155 | 400 | 21 | 22 | 32 | 21 | 22 | |
| 100 | 4 | 350 | 175 | 180 | 500 | 33 | 36 | 50 | 36 | 36 | |
| 125 | 5 | 400 | 200 | 250 | 600 | 65 | 70 | 80 | 68 | 70 | |
| 150 | 6 | 480 | 240 | 275 | 800 | 103 | 110 | 120 | 105 | 105 | |
| 200 | 8 | 580 | 290 | 325 | 1000 | 152 | 168 | 180 | 160 | 160 | |