服务热线:150 0066 6432

关于沃茈

关于沃茈

about

关于沃茈

关于沃茈

about

产品查找
免费获取报价
提交

联系我们,我们将为您提供合理的解决方案!

WOCI VALVE®

FS46L炉顶放散阀

  • 1产品型号:FS46L
  • 2公称通径:DN250~DN600
  • 3公称压力:PN0.15MPa
  • 4适用温度:≤400℃
  • 5适用介质:煤气、烟气及其它气体
  • 6连接尺寸:GB2555-81PN2.5
客户订购咨询:15000666432
#
详细介绍

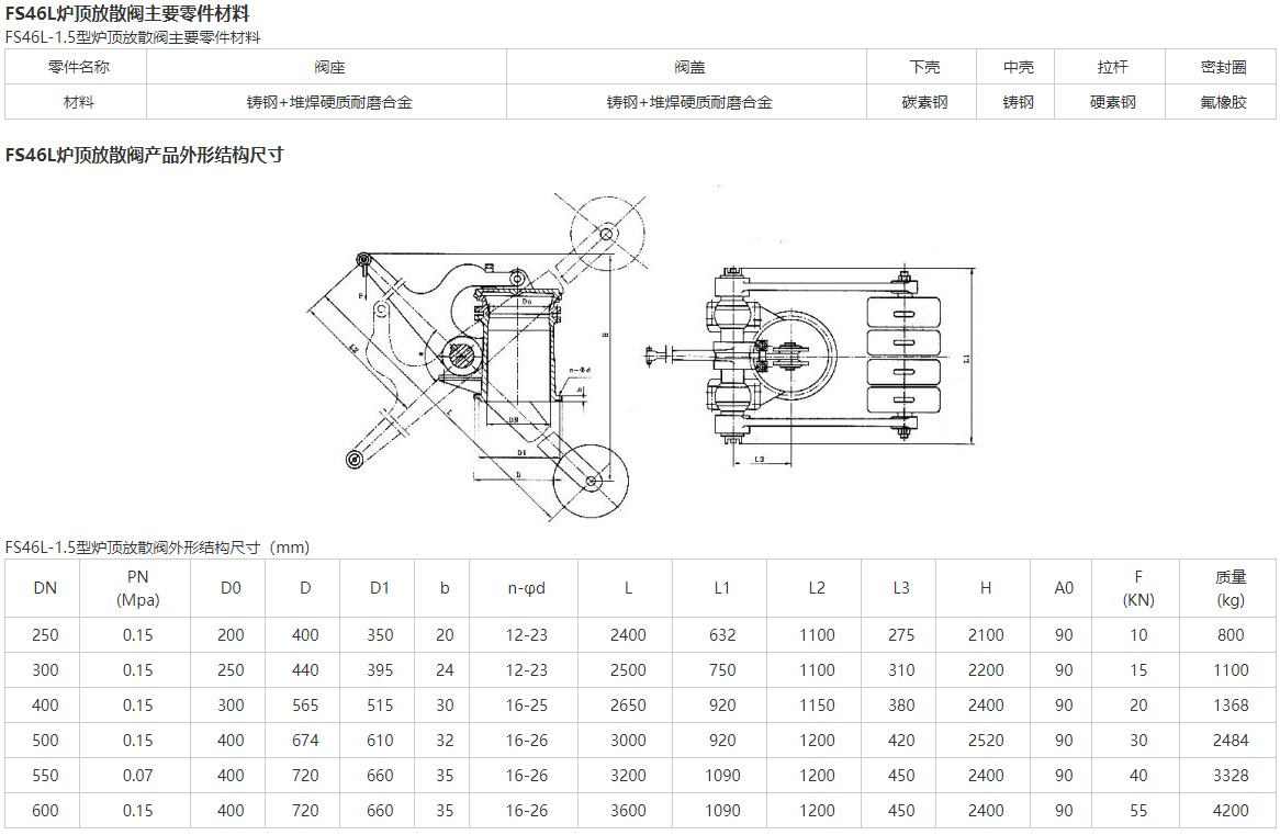
FS46L炉顶放散阀产品概述

沃茈阀门(上海)有限公司生产销售的FS46Ll-1.5型炉顶放散阀,电动卷扬式放散阀由阀座、阀盖、下壳、中壳、拉杆等零件组成。它是卷扬式启闭机控制杠杆系统拉动阀盖实现阀门的启闭,本阀具有结构简单、启闭灵活、密封性能好、操作方便、工作安全可靠等特点,主要用于在高炉休风时将炉中的煤气排放到大气中,以保证高炉系统的安全。



0.124995