服务热线:150 0066 6432
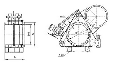
一、F943X电动分体式盲板阀主要结构特点
1、沃茈阀门(上海)有限公司生产销售的F943X电动分体式盲板阀由阀门本体、驱动装置,夹紧装置等组成。 2、阀门本体采用三点式结构,结构紧凑、整体刚性好、重量好。 3、阀体、阀板密封副采用不锈钢与橡胶组成的柔性密封副,密封可靠,密封圈采用氟橡胶,耐高温,使用寿命长。 4、夹紧机构采用丝杆螺母式,夹紧、松开动作迅速,自锁性好。 5、采用防爆型电机,无论在室内还是室外,均能保证阀门安全可靠运作。 6、本盲板阀可现场手动操作,也可远距离顺控。 7、本盲板阀也可单独设计电气控制箱操作控制装置,本机出厂不配电气控制箱,用户如需另订。
二、F943X电动分体式盲板阀工作原理
1、由阀开启到阀关闭: 夹紧电机动作,带动丝杆作逆时针转动,阀体松开到位(指标灯显示),驱动电机动作,带动闸板作逆时针转动到位,闸板关闭到位(指示灯显示),夹紧电机动作,带动丝杆作顺时针转动,阀体夹紧到位(指示灯显示)完成阀门由开启到关闭的全过程。 2、阀门由关闭到开启: 夹紧电机动作,带动丝杆作逆时针转动,阀体松开到位(指标灯显示),驱动电机动作,带动闸板作顺时针转动,闸板开启到位,(指示灯显示)完成阀门由关闭到开启的全过程。
三、F943X电动分体式盲板阀主要外形尺寸

dn | d | d1 | b | n-φd | l |
300 | 440 | 395 | 22 | 12-φ22 | 580 |
350 | 490 | 445 | 24 | 12-φ22 | 580 |
400 | 540 | 495 | 24 | 16-φ22 | 680 |
450 | 595 | 550 | 24 | 16-φ22 | 680 |
500 | 645 | 600 | 24 | 16-φ22 | 680 |
600 | 755 | 705 | 26 | 20-φ26 | 680 |
700 | 860 | 810 | 26 | 24-φ26 | 680 |
800 | 975 | 920 | 26 | 24-φ30 | 680 |
900 | 1075 | 1020 | 26 | 24-φ30 | 710 |
1000 | 1175 | 1120 | 26 | 28-φ30 | 710 |
1100 | 1275 | 1220 | 26 | 28-φ30 | 710 |
1200 | 1375 | 1320 | 26 | 32-φ30 | 730 |
1300 | 1475 | 1420 | 26 | 32-φ30 | 830 |
1400 | 1575 | 1520 | 26 | 36-φ30 | 830 |
1500 | 1675 | 1620 | 26 | 36-φ30 | 830 |
1600 | 1790 | 1730 | 26 | 40-φ30 | 830 |