服务热线:150 0066 6432
一、F343X手动盲板阀产品特点
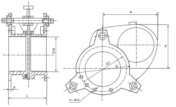
沃茈阀门(上海)有限公司生产销售的F343X手动盲板阀又名手动眼镜阀、翻板阀、扇形阀,为长结构系列,在右阀体上设有伸缩器,用于较长管路中(注:不能作为管路的补偿器),可以补偿阀门启闭过程中产生的阀体轴向位移,减小阀门的启闭力矩。根据大口径阀门的特点,阀体设计成三角形结构,加强了阀门的整体刚性。橡胶密封圈分别安装在左、右阀体上。
二、F343X手动盲板阀主要性能指标
| 公称压力mpa | 0.25 | 0.15 | 0.10 | 0.05 |
| 密封试验压力mpa | 0.275 | 0.165 | 0.11 | 0.055 |
| 强度试验压力mpa | 0.40 | 0.225 | 0.15 | 0.075 |
| 适用温度℃ | 丁腈橡胶 | 硅橡胶 | 氟橡胶 | |
| <120 | <250 | <300 | ||
| 适用介质 | 煤气等有毒、有害、易燃气体 | |||
| 采用标准 | 连接法兰尺寸符合jb/t81-94标准,检测方法符合gb/t13927-92标准 | |||
| 主要零部件材料 | 阀体、闸板为碳钢;连接轴、伸缩器为碳钢或不锈钢;密封圈为橡胶 | |||
三、F343X手动盲板阀主要连接尺寸:

| dn | d | d1 | b | n-φd | l |
| 300 | 440 | 395 | 22 | 12-φ22 | 500 |
| 350 | 490 | 445 | 22 | 12-φ22 | 500 |
| 400 | 540 | 495 | 22 | 16-φ22 | 600 |
| 450 | 595 | 550 | 24 | 16-φ22 | 600 |
| 500 | 645 | 600 | 24 | 16-φ22 | 600 |
| 600 | 755 | 705 | 24 | 20-φ26 | 600 |
| 700 | 860 | 810 | 26 | 24-φ26 | 800 |
| 800 | 975 | 920 | 26 | 24-φ30 | 800 |
| 900 | 1075 | 1020 | 28 | 24-φ30 | 800 |
| 1000 | 1175 | 1120 | 30 | 28-φ30 | 800 |
| 1100 | 1275 | 1220 | 30 | 28-φ30 | 800 |
| 1200 | 1375 | 1320 | 30 | 32-φ30 | 800 |
| 1300 | 1475 | 1420 | 32 | 32-φ30 | 800 |
| 1400 | 1575 | 1520 | 32 | 36-φ30 | 850 |
| 1500 | 1675 | 1620 | 32 | 36-φ30 | 850 |
| 1600 | 1790 | 1730 | 32 | 40-φ30 | 850 |
| 1800 | 1990 | 1930 | 32 | 44-φ30 | 1100 |
| 2000 | 2190 | 2130 | 32 | 46-φ30 | 1100 |