服务热线:150 0066 6432
一、F343CX手动蜗轮盲板阀结构特点
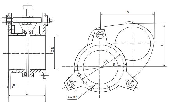
沃茈阀门(上海)有限公司生产销售的F343CX手动蜗轮盲板阀主要由左阀体、右阀体、丝杆副、翻板、密封圈、杠杆、蜗轮装置等零件组成,并由底座、支撑柱构成一个刚性结构体。橡胶密封圈镶嵌在翻板上,具有耐高温、密封性能好、更换方便、使用寿命长等特点。
二、F343CX手动蜗轮盲板阀主要性能参数
| 公称压力mpa | 0.25 | 0.15 | 0.10 | 0.05 |
| 密封试验压力mpa | 0.275 | 0.165 | 0.11 | 0.055 |
| 强度试验压力mpa | 0.40 | 0.225 | 0.15 | 0.075 |
| 驱动源 | 压缩空气0.4-0.6mpa ;油压压力6.3mpa; 3相380v50hz | |||
| 适用温度℃ | 丁腈橡胶 | 硅橡胶 | 氟橡胶 | |
| -20-100 | -20-200 | -20-300 | ||
| 适用介质 | 煤气等有毒、有害、易燃气体 | |||
| 启闭时间s | ≤60 | |||
| 主要零部件材料 | 阀体、闸板为碳钢;丝杆为合金钢;螺母为锰铜合金、球墨铸铁;伸缩器为不锈钢 | |||
三、F343CX手动蜗轮盲板阀主要连接尺寸:

| dn | d | d1 | b | n-φd | l |
| 300 | 440 | 395 | 22 | 12-φ22 | 500 |
| 350 | 490 | 445 | 22 | 12-φ22 | 500 |
| 400 | 540 | 495 | 22 | 16-φ22 | 600 |
| 450 | 595 | 550 | 24 | 16-φ22 | 600 |
| 500 | 645 | 600 | 24 | 16-φ22 | 600 |
| 600 | 755 | 705 | 24 | 20-φ26 | 600 |
| 700 | 860 | 810 | 26 | 24-φ26 | 800 |
| 800 | 975 | 920 | 26 | 24-φ30 | 800 |
| 900 | 1075 | 1020 | 28 | 24-φ30 | 800 |
| 1000 | 1175 | 1120 | 30 | 28-φ30 | 800 |
| 1100 | 1275 | 1220 | 30 | 28-φ30 | 800 |
| 1200 | 1375 | 1320 | 30 | 32-φ30 | 800 |
| 1300 | 1475 | 1420 | 32 | 32-φ30 | 800 |
| 1400 | 1575 | 1520 | 32 | 36-φ30 | 850 |
| 1500 | 1675 | 1620 | 32 | 36-φ30 | 850 |
| 1600 | 1790 | 1730 | 32 | 40-φ30 | 850 |
| 1800 | 1990 | 1930 | 32 | 44-φ30 | 1100 |
| 2000 | 2190 | 2130 | 32 | 46-φ30 | 1100 |