服务热线:150 0066 6432
一、XD371X消防信号蝶阀基本信息
沃茈阀门(上海)有限公司生产销售的XD371X消防专用信号蝶阀是引进国外技术而自行开发的中线型蝶阀,bwsx中线型对夹消防专用信号蝶阀具有结构简单、密封可靠、开启轻便、寿命长、维护方便等优点。故被广泛的应用于给排水、建筑消防等系统各种管道上,尤其在消防管路中。
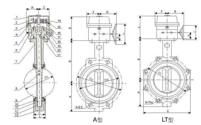
二、XD371X消防信号蝶阀主要零件:
序号 | 零件名称 | 材质 | 序号 | 零件名称 | 材质 |
1 | 阀体 | 球铁、铸钢 | 7 | 密封圈 | nbr.epdm |
2 | 阀轴 | sus410/sus316 | 8 | 圆垫片 | sus316/黄铜 |
3 | 蝶板 | 球铁喷塑、不锈钢 | 9 | 对开环 | sus316/黄铜 |
4 | 阀座 | epdm,ptee | 10 | 挡圈 | 弹簧钢 |
6 | 衬套 | 青铜、聚四氟乙烯 |
三、XD371X消防信号蝶阀主要外形尺寸及重量(pn1.0/1.6mpa)

| dn(mm) | a | b | c | d1 | l | n-φ | k | e | 4-φ1 | φ2 | g | 重量wt(kg) |
| 50 | 140 | 80 | 43 | 125 | 32 | 4-19 | 77 | 57.15 | 4-6.7 | 12.6 | 100 | 3.34 |
| 65 | 152 | 89 | 46 | 145 | 32 | 4-19 | 77 | 57.15 | 4-.67 | 12.6 | 120 | 3.94 |
| 80 | 159 | 95 | 45.21 | 160 | 32 | 8-19 | 77 | 57.15 | 4-.67 | 12.6 | 127 | 4.05 |
| 100 | 178 | 114 | 52.07 | 180 | 32 | 8-19 | 92 | 69.85 | 4-10.3 | 15.77 | 156 | 5.48 |
| 125 | 190 | 127 | 55.5 | 210 | 32 | 8-19 | 92 | 69.85 | 4-10.3 | 18.92 | 190 | 7.66 |
| 150 | 203 | 139 | 55.75 | 240 | 32 | 8-23 | 92 | 69.85 | 4-10.3 | 18.92 | 212 | 8.5 |
| 200 | 238 | 175 | 60.58 | 295 | 45 | 8-23 | 115 | 88.9 | 4-14.3 | 22.1 | 268 | 25 |
| 250 | 268 | 203 | 68 | 350 | 45 | 12-23 | 115 | 88.9 | 4-14.3 | 28.45 | 325 | 31.4 |
| 300 | 306 | 242 | 76.9 | 400 | 45 | 12-23 | 140 | 107.95 | 4-14.3 | 31.6 | 403 | 45.9 |
| 350 | 368 | 267 | 76.17 | 460 | 45 | 16-23 | 140 | 107.95 | 4-14.3 | 31.6 | 436 | 54 |