服务热线:150 0066 6432
沃茈阀门(上海)有限公司生产销售的D341X软密封法兰蝶阀作为一种用来实现管路系统切断及流量控制的部件,已在石油、化工、冶金、水电等许多领域中得到极为广泛地应用。在已公知的蝶阀技术中,其密封形式多采用密封结构,密封材料为橡胶、聚四氟乙烯等。由于结构特征的限制,不适应耐高温、高压及耐腐蚀、抗磨损等行业。现有一种比较先进的蝶阀是三偏心金属硬密封蝶阀,阀体和阀座为连体构件,阀座密封表面层堆焊耐温、耐蚀合金材料。多层软叠式密封圈固定在阀板上,这种蝶阀与传统蝶阀相比具有耐高温,操作轻便,启闭无磨擦,关闭时随着传动机构的力矩增大来补偿密封,提高了蝶阀的密封性能及延长使用寿命的优点
一、D341X软密封法兰蝶阀主要技术参数
公称通径 | dn(mm) | 50~2000 | ||
公称压力 | pn(mpa) | 0.6 | 1.0 | 1.6 |
试验压力 | 强度试验 | 0.9 | 1.5 | 2.4 |
密封试验 | 0.66 | 1.1 | 1.76 | |
气密封试验 | 0.6 | 0.6 | 0.6 | |
适用介质 | 空气、水、污水、蒸气、煤气、油品等 | |||
驱动形式 | 手动、蜗杆蜗轮传动、气传动、电传动 | |||
二、D341X软密封法兰蝶阀主要零件的材质
零件名称 | 材料 |
阀体 | 各种橡胶、聚四氟 |
蝶板 | 灰铸铁、球墨铸钢、铸钢、不锈钢及特殊材料 |
密封圈 | 球墨铸钢、铸钢、合金钢、不锈钢 |
阀杆 | 2cr13、不锈钢 |
填料 | o型圈、柔性石墨 |
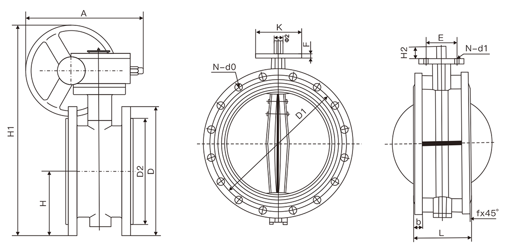
三、D341X软密封法兰蝶阀主要外形尺寸及重量(pn1.0/1.6mpa)

| dn (mm) | a | b | c | d | d1 | d2 | d3 | d4 | d5 | l | l1 | l2 | n-d | a | f | n-d1 | 重量 wt (kg) |
| 50 | 83 | 130 | 20 | 52.9 | 125 | 165 | 99 | 57.15 | 65 | 108 | 111 | 32 | 4-19 | 90° | 3 | 4-7 | 7.6 |
| 65 | 93 | 145 | 20 | 64.5 | 145 | 185 | 118 | 57.15 | 65 | 112 | 115 | 32 | 4-19 | 90° | 3 | 4-7 | 9.7 |
| 80 | 100 | 155 | 22 | 78.8 | 160 | 20 | 132 | 69.85 | 65 | 114 | 117 | 32 | 8-19 | 45° | 3 | 4-7 | 10.6 |
| 100 | 114 | 170 | 24 | 104 | 180 | 220 | 156 | 69.85 | 90 | 127 | 130 | 32 | 8-19 | 45° | 3 | 4-10 | 13.8 |
| 125 | 125 | 190 | 26 | 123.3 | 210 | 250 | 184 | 69.85 | 90 | 140 | 143 | 32 | 8-19 | 45° | 3 | 4-10 | 18.2 |
| 150 | 143 | 205 | 26 | 155.6 | 240 | 285 | 211 | 88.9 | 90 | 140 | 143 | 32 | 8-23 | 45° | 3 | 4-10 | 21.7 |
| 200 | 170 | 235 | 26 | 202.5 | 295 | 340 | 266 | 88.9 | 125 | 152 | 155 | 45 | 8-23 12-23 | 45°/30° | 3 | 4-14 | 31.8 |
| 250 | 198 | 280 | 28 | 250.5 | 350/355 | 395/405 | 319 | 107.95 | 125 | 165 | 168 | 45 | 12-23 12-28 | 30° | 3 | 4-14 | 44.7 |