服务热线:150 0066 6432
一、BPQ340TC陶瓷偏心半球阀产品简介:
沃茈阀门(上海)有限公司生产销售的BPQ340TC陶瓷偏心半球阀利用偏心阀体、偏心球体、阀座,阀杆作旋转运动时在共同轨迹自动定心,关闭过程中越关越紧,完全达到良好的密封目的。阀门的球体和阀座完全脱离,消除了密封圈的磨损,克服了传统球体阀座与球体密封面始终磨损的问题,非金属弹性材料被嵌入金属座中,阀座金属面受到良好的保护。特别适用于钢铁业,洗选矿、电站、除灰等行业,矿料浆液,灰渣浆液等介质。
阀门的阀座和半球体的密封面均采用工程陶瓷、硬度高、耐冲蚀、寿命长。适用于含有粉状颗粒的固液混合介质,作启闭用;半球体为固定球式,刚性好。形状为v形半球,体积小,重量轻; 阀座密封面与半球密封面间距具有可调性,故阀门在使用一定时间后,密封面间距可再进行调整,延长阀门寿命;阀门在全开时,阀体通道完全畅通,介质流阻小。
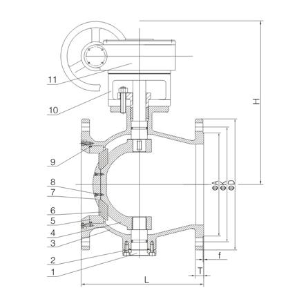
二、BPQ340TC陶瓷偏心半球阀主要零部件材料:
序号 | 名称 | 材料 | 序号 | 名称 | 材料 |
1 | 阀盖 | wcb | 7 | 压圈 | wcb |
2 | 垫片 | 氟橡胶 | 8 | 螺栓 | 20# |
3 | 阀体 | wcb | 9 | 密封垫片 | 氟橡胶 |
4 | 半球体 | wcb | 10 | 支架 | wcb |
5 | 阀座 | 结构陶瓷 | 11 | 驱动装置 | 成品件 |
6 | 密封圈 | 结构陶瓷 | 12 |

三、BPQ340TC陶瓷偏心半球阀应用规范:
设计与制造 | gb/t 12224 | |
连接端尺寸 | 结构长度 | gb12221 |
法兰尺寸 | gb/t9113 | |
检验与试验 | gb/t 9092 | |
材料 | 碳钢 | gb/t 12229 |
不锈钢 | gb/t 12230 | |
标志 | gb/t 12220 | |
供货 | gb/t 12252 | |
四、BPQ340TC陶瓷偏心半球阀主要外形和连接尺寸:
pn(mpa) | dn (mm) | h | l | d | d1 | d2 | n-d | c | f |
1.6 | 50 | 230 | 124 | 165 | 125 | 100 | 4-φ18 | 16 | 3 |
65 | 237 | 145 | 185 | 145 | 120 | 4-φ18 | 18 | 3 | |
80 | 260 | 165 | 200 | 160 | 135 | 8-φ18 | 20 | 3 | |
100 | 270 | 194 | 220 | 180 | 156 | 8-φ18 | 20 | 3 | |
125 | 320 | 210 | 250 | 210 | 185 | 8-φ22 | 22 | 3 | |
150 | 340 | 229 | 285 | 240 | 211 | 8-φ22 | 26 | 3 | |
200 | 390 | 243 | 340 | 295 | 265 | 8-φ23 | 26 | 3 | |
250 | 420 | 297 | 405 | 355 | 319 | 8-φ26 | 30 | 3 | |
300 | 510 | 338 | 460 | 410 | 375 | 8-φ26 | 30 | 4 |