服务热线:150 0066 6432
一、H41Y美标法兰锻钢止回阀产品简介:
沃茈阀门(上海)有限公司生产销售的H41Y美标法兰锻钢止回阀阀瓣与阀座密封面采用钴基硬质合金等离子喷焊而成硬度高、抗冲蚀、经久耐用。适用于工作温度600℃的石油、化工、水力、火力电站等各种工况的管路上切断或接通介质。适用介质为:水、油品、蒸汽、及气体、某些腐蚀性液体等。
二、H41Y美标锻钢法兰止回阀工作原理:
锻钢法兰止回阀阀瓣、阀座密封面采用铁基合金或司太立(stellite)钴基硬质合金堆焊面成耐磨、耐高温、耐腐蚀、抗擦伤性能好使用寿命长等特点。不锈钢销轴与阀瓣连接采用内装式结构-性能优良-密封更可靠。产品广泛应用于石油、化工、制药、电力行业等各种工况的管路上防介质倒流作用。适用介质为水、油品、蒸汽、气体及某些腐蚀性液体介质等。
三、H41Y美标锻钢法兰止回阀产品特点:
1、导向筋上堆焊硬质合金阀体上腔导向套采用不锈钢材料制成保证阀瓣动作灵活。
2、阀瓣与阀座密封面采用钴基硬质合金等离子喷焊而成硬度高、抗冲蚀、经久耐用。
3、压力密封设计和高纯石墨垫片环以确保高气密。
4、阀门中腔采用压力自紧式密封结构,内腔压力越高密封性能越好。
5、阀瓣围绕阀座外的销轴旋转,减少关闭时发生的猛烈冲击。
四、H41Y美标锻钢法兰止回阀标准材质明细表
序号 | 零件名称 | cs to astm | as to astm | ss to astm | |
type a105n | type f22 | type f304(l) | type f316(l) | ||
1 | 阀体 | a105n | a182 f22 | a182 f304(l) | a182 f316(l) |
2 | 铭牌 | ss | |||
3 | 阀瓣 | a276 420 | a276 304 | a276 304(l) | a276 316(l) |
4 | 阀盖 | a105n | a182 f22 | a182 f304(l) | a182 f316(l) |
5 | 垫片 | 316夹柔性石墨 | 316夹ptfe | ||
6 | 螺栓 | a193 b7 | a193 b16 | a193 b8(m) | a193 b8(m) |
适用介质 | 水、蒸汽、油品等 | 水、蒸气、油品等 | 硝酸、醋酸等 | ||
适用温度 | -29°c~425°c | -29°c~550°c | -29°c~200°c | ||
※注意:客户需求的其他材质也可采用。密封面材料配对由客户指定内件代号决定。
cs=碳钢;as=合金钢;ss=不锈钢。
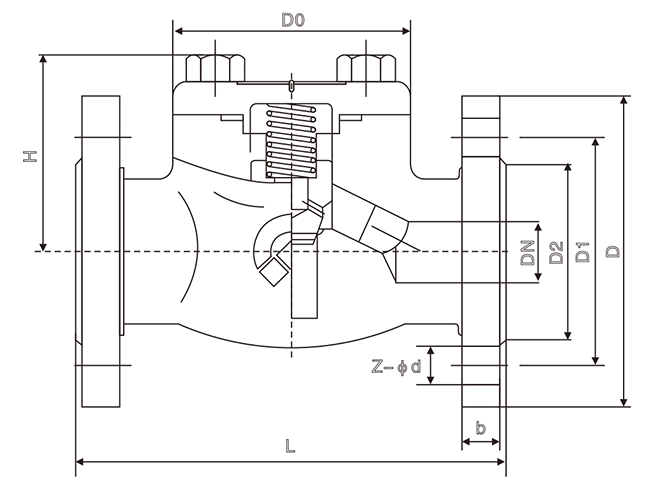
五、H41Y美标锻钢法兰止回阀尺寸(mm)和重量(kg)

nps | 1/2 | 3/4 | 1 | 11/4 | 11/2 | 2 | ||
l(rtj) | 150 | 108 | 117 | 127 | 140 | 165 | 203 | |
300 | 152 | 178 | 203 | 216 | 229 | 267 | ||
600 | 165 | 190 | 216 | 229 | 241 | 292 | ||
h | 150,300 | 61 | 61 | 79 | 95 | 103 | 118 | |
600 | 61 | 79 | 95 | 103 | 118 | 135 | ||
重量 | 150 | rtj | 2.56 | 3.37 | 4.37 | 8.17 | 8.94 | 12.64 |
bw | 1.70 | 1.90 | 2.10 | 5.12 | 5.50 | 7.89 | ||
300 | rtj | 2.73 | 3.65 | 4.74 | 8.77 | 9.60 | 13.70 | |
bw | 1.90 | 2.10 | 3.00 | 5.12 | 6.60 | 7.85 | ||
600 | rtj | 3.00 | 4.00 | 5.83 | 9.47 | 10.10 | 15.6 | |
bw | 2.00 | 3.12 | 4.25 | 7.25 | 8.56 | 13.60 | ||