服务热线:150 0066 6432

关于沃茈

关于沃茈

about

关于沃茈

关于沃茈

about

产品查找
免费获取报价
提交

联系我们,我们将为您提供合理的解决方案!

WOCI VALVE®

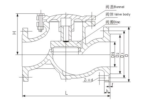
H41W/H国标升降式止回阀

  • 1产品型号:H41W/H
  • 2公称通径:DN50~DN400
  • 3压力范围:PN1.0~16.0MPa
  • 4工作温度:-196℃~+560℃
  • 5主体材质:碳钢、不锈钢、合金钢
  • 6设计制造:GB12236
  • 7结构长度:GB12221
  • 8连接法兰:JB/T79-1994
  • 9试验与检验:JB/T9092-1999
客户订购咨询:15000666432
详细介绍

一、H41W/H国标升降式止回阀产品概述

沃茈阀门(上海)有限公司生产销售的H41W/H国标升降式止回阀适用于中、小口径管路的各种压力、温度和介质下控制接通或截断管路介质的启闭装置;依靠阀瓣自重和流体压差实现自动阻止流体倒流。


二、H41W/H国标升降式止回阀产品特点

1、当介质由阀体箭头所示流向进入阀体,介质的压力作用在阀瓣上产生向上的推力,当介质推力大于阀瓣重力时,阀门打开。当阀后介质压力作用在阀瓣上的力加上阀瓣自身重力大于阀前压力作用在阀瓣上的力时,阀门关闭,阻止介质倒流。
2、国标升降式止回阀具有结构简单,动作可靠,维修方便等优点,广泛应用于净化设备、石油、化工、冶金、电力、轻纺等生产过程中。


三、H41W/H国标升降式止回阀性能规范

阀体材料公称压力
(mpa)
工作温度
(℃)
适用介质
碳 钢1.6-6.4≤425水、油品、蒸汽
10.0、16.0≤450
不锈钢p1.6-16.0≤200硝酸类
r醋酸类
铬镍钛
耐热钢
pi1.6-6.4≤550石油、石油产品
铬钼钢1.6-16.0≤550


四、H41W/H国标升降式止回阀主要外形尺寸


公称压力
pn
公称通径
dn
主要连接尺寸外形
尺寸
ldd 1d 2d 6bff 1z-φdh
1.6mpa4020014511085-162-4-1895
50230160125100-162-4-18105
65290180140120-182-4-18120
80310195165135-203-8-18130
100350215180155-203-8-18140
125400245210185-223-8-12155
150480280240210-243-8-23180
200600335295265-263-12-23215
0.078122